24 308 ₽
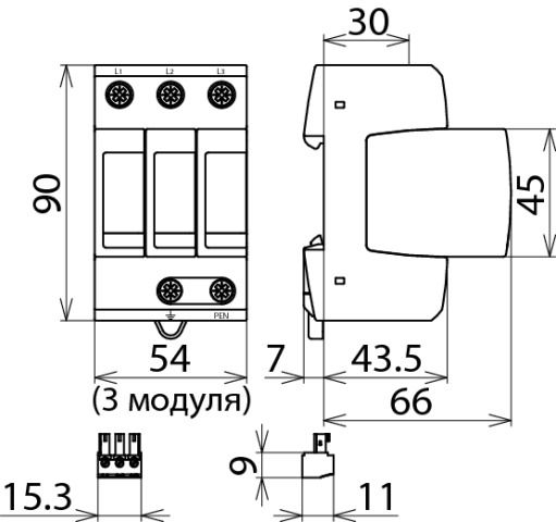
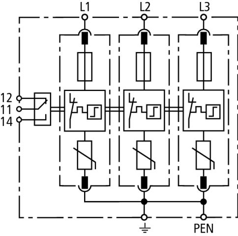
Модульный ограничитель перенапряжений со встроенным предохранителем для систем TN-C с номинальным напряжением 230 /400 В (схема подключения "3+0"); с контактом удаленной сигнализации состояния (беспотенциальный переключающийся контакт).
