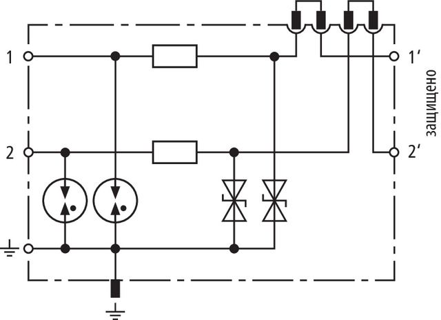
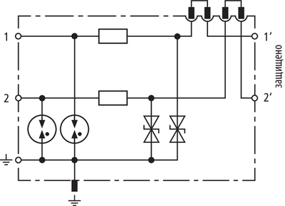
917920 УЗИП двухполюсное в клеммном исполнении DEHNconnect SD2

917920 УЗИП двухполюсное в клеммном исполнении DEHNconnect SD2
5 433

Энергетически скоординированный ограничитель импульсных перенапряжений с функцией размыкания для защиты двух одиночных линий с общим опорным потенциалом и несимметричных интерфейсов.

Энергетически скоординированный ограничитель импульсных перенапряжений с функцией размыкания для защиты двух одиночных линий с общим опорным потенциалом и несимметричных интерфейсов.