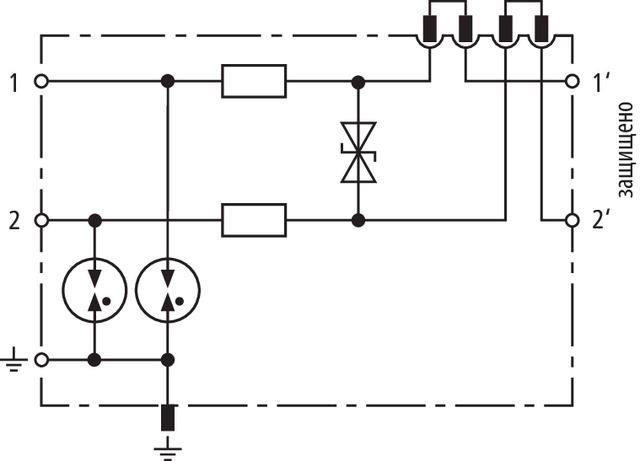
917942 УЗИП двухполюсное в клеммном исполнении DEHNconnect SD2

917942 УЗИП двухполюсное в клеммном исполнении DEHNconnect SD2
5 426

Энергетически скоординированный ограничитель импульсных перенапряжений с функцией размыкания для защиты незаземленных двухпроводных линий, а так же симметричных интерфейсов.

Энергетически скоординированный ограничитель импульсных перенапряжений с функцией размыкания для защиты незаземленных двухпроводных линий, а так же симметричных интерфейсов.