5 897 ₽
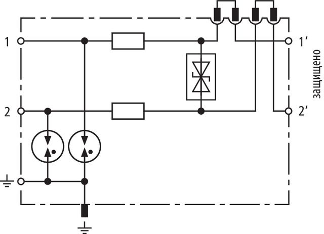
Энергетически скоординированный ограничитель импульсных перенапряжений с функцией размыкания для защиты симметричных интерфейсов сверхнизкого напряжения. Из-за комбинации нескольких диодов на одной матрице с минимальной ёмкостью защитной цепи подходит для высокоскоростной передачи данных. Для экранированных линий передачи данных следует использовать систему подключения экрана SAK.
