12 929 ₽
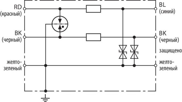
Энергетически скоординированое двухступенчатое УЗИП с газовым разрядником и диодами относительно земли. Для несимметричных интерфейсов с внешней резьбой 1/2'- 14 NPT (внутренняя/внешняя). Проходной заземляющий проводник.
